产品展示更多>>
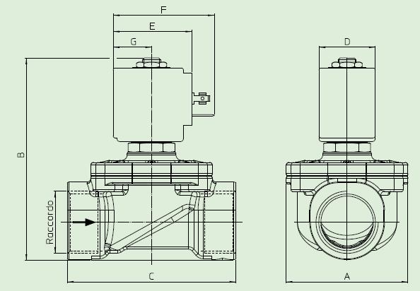
- ODE两位两通常闭电磁阀规格图样

- ODE两位两通常闭电磁阀规格图样
ODE两位两通常闭电磁阀规格图样
漏气。漏气会造成空气压力不足,使得阀的启闭困难,原因是密封垫片损坏或滑阀磨损而造成几个空腔窜气。
在处理切换系统的电磁阀故障时,应选择适当的时机, 等该电磁阀处于失电时进行处理,
若在一个切换间隙内处理不完,可将切换系统暂停,从容处理。
2路常闭直动电磁阀有一个入口管道和出口管道。
柱塞上密封垫圈被安装,直接提供打开和关闭主孔。
当线圈没有通电时,柱塞处于这种状态位置以关闭孔口,从而防止流体流动。
当线圈通电时,柱塞移动到这样的位置以打开孔口,允许流体流动。
在这个电磁阀系列中,压力的增加会导致一个增加打开阀门所需的力量:
如果压力入口和出口之间的差异大于zui大值后者是电磁阀的设计值即使线圈通电也不能打开。
电磁阀的故障将直接影响到切换阀和调节阀的动作,常见的故障有电磁阀不动作,应从以下几方面排查:
电磁阀接线头松动或线头脱落,电磁阀不得电,可紧固线头。
电磁阀线圈烧坏,可拆下电磁阀的接线,用万用表测量,如果开路,则电磁阀线圈烧坏。
原因有线圈受潮,引起缘不好而漏磁,造成线圈内电流过大而烧毁,因此要防止雨水进入电磁阀。
此外,弹簧过硬,反作用力过大,线圈匝数太少,吸力不够也可使得线圈烧毁。
紧急处理时,可将线圈上的手动按钮由正常工作时的“0"位打到“1"位,使得阀打开。
电磁阀卡住。电磁阀的滑阀套与阀芯的配合间隙很小(小于0.008mm),
一般都是单件装配,当有机械杂质带入或润滑油太少时,很容易卡住。
ODE两位两通常闭电磁阀规格图样
外形尺寸:


